HAS6240-G3 云端推理服务器是基于鲲鹏 920 处理器的数据中心服务器,可搭配 AI 加速卡,提供强大的实时推理能力和视频分析能力,广泛应用于中心侧 AI 推理场景。
该服务器面向互联网、分布式存储、云计算、大数据、企业业务等领域,具有高性能计算、大容量存储、低能耗、易管理、易部署等优点。

性能与扩展
1. 支持 64 bits 高性能多核鲲鹏 920 处理器,内部集成了 DDR4、PCle4.0、25GE、10GE、GE 等接口,提供完整的 SOC 功能。
2. 最多可支持 8 个Atlas 300I 推理卡(型号: 3010 ),提供强大的实时推理能力。
3. 最多可支持 2 个 Atlas 300T 训练卡(型号: 9000),实现快速高效的 AI 训练能力。
4. 最多可支持 8 个 Atlas 300I Pro 推理卡,提供强大的实时推理能力。
5. 最多可支持 8 个 Atlas 300V Pro 视频解析卡,提供强大的视频解析能力。
6. 最多可支持 8 个 Atlas 300V 视频解析卡,提供强大的视频解析能力。
7. 最多可支持 2 个 Atlas 300T Pro 训练卡(型号: 9000),实现快速高效的 AI 训练能力。
8. 单台服务器支持 2 个处理器、最大 128 个内核,能够最大限度地提高多线程应用的并发执行能力。
9. 支持多种灵活的硬盘配置方案,提供了弹性的、可扩展的存储容量空间,满足不同存储容量的需求和升级要求。
10.支持灵活插卡,可提供多种以太网卡接口能力。
11.最多可支持 8 个 PCle4.0 x8 的标准扩展槽位。
可用性和可服务性
1. 单板硬件采用电信级器件及加工工艺流程,可显著提高系统可靠性。
2. 支持 SAS/SATA/NVMe 硬盘,其中 SAS/SATA/NVMe 硬盘可以设置 RAID 0/1//10/5/50/6/60,可提供 RAID Cache,支持超级电容掉电数据保护,支持非系统硬盘热插拔。
3. 通过面板提供 UID/HLY LED 指示灯,iBMC Web 管理界面提供关键部件指示状态能够指引技术人员快速找到已经发生故障(或者正在发生故障)的组件,从而简化维护工作、加快解决问题的速度,并且提高系统可用性。
4. BMC集成管理模块(iBMC)能够持续监控系统参数、触发告警,并且采取恢复措施,以便最大限度地避免停机。
可管理性和安全性
1. 集成在服务器上的iBMC管理模块可用来监控系统运行状态,并提供远程管理功能。
2. 集成了业界标准的统一可扩展固件接口(UEFI),因此能够提高设置、配置和更新效率并且简化错误处理流程。
3. 支持带锁的服务器机箱安全面板,保护服务器的本地数据的安全性。
能源效率
1. 提供白金电源模块,50% 负载下电源模块效率高达 94%。
2. 高效率的单板 VRD 电源,降低主板 DC 电源转换的损耗。
3. 支持主备供电。
4. 支持PID ( Proportional-Integral-Derivative )智能调速,节能降耗。
5. 全方位优化的系统散热设计,高效节能的系统散热风扇,降低系统散热能耗。
6. 硬盘错峰上电技术,降低服务器启动功耗。
7. 支持 SSD 硬盘,SSD 的功耗比传统机械硬盘低 80%。
物理结构
当服务器配置鲲鹏 920 7260 或 5250 处理器时,服务器提供 32 个内存插槽,各个部件如下图所示。


当服务器配置鲲鹏 920 5220 或 3210 处理器时,服务器提供 16 个内存插槽,各个部件如下图所示。


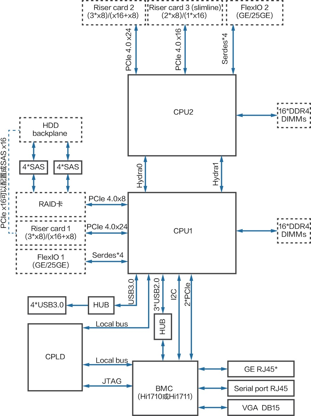
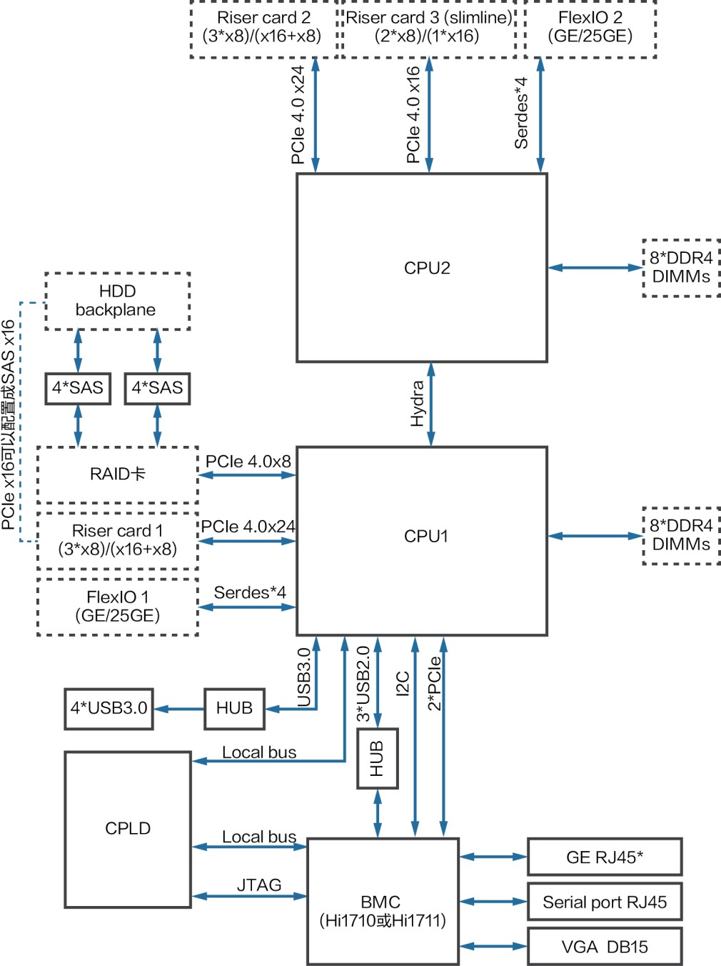
逻辑结构
服务器支持管理芯片 Hi1710 或 Hi1711 的两种 iBMC 插卡,可外出 VGA、管理网口、调试串口等管理接口。
当服务器配置鲲鹏 920 7260 或 5250 处理器时,逻辑结构如下图所示。

当服务器配置鲲鹏 920 5220 或 3210 处理器时,逻辑结构如下图所示。

规格参数
电源规格
● 电源模块支持热插拔,1+1 冗余备份。
● 服务器连接的外部电源空气开关电流规格推荐如下:
- 交流电源:32A
- 直流电源:63A
● 同一台服务器中的电源模块型号必须相同。
● 电源模块提供短路保护,支持双火线输入的电源模块提供双极保险。
● 详细的电源规格请联系技术支持。
● 输入电压为 200V AC~220V AC 时,2000W AC 白金电源的输出功率会降到 1800W
运行环境
工作温度:5°C至40°C(41°F至104°F)
存储温度(3 个月以内):-30℃~+60℃(-22℉~+140℉)
存储温度(6 个月以内):-15℃~+45℃(5℉~113℉)
存储温度(1 年以内):-10℃~+35℃(14℉~95℉)
最大温度变化率:20℃(36℉)/h、5℃(9℉)/15mins
工作湿度:8%~90%
存储湿度(3 个月以内):8%~85%
存储湿度(6 个月以内):8%~80%
存储湿度(1 年以内):20%~75%
最大湿度变化率:20%/小时
工作海拔高度:≤3050m
性能规格
